商品信息
基本参数
- 产地山东
- 品牌
- 产品型号
- 产品操作
- 产品应用范围
- 产品材料等级
- 产品表面处理
- 品牌Siemens/西门子
- 型号SAX61.03西门子
- 加工定制否
- 驱动能源电动执行器
- 工作电源24V
- 工作模式调节型
- 环境温度10-50℃
- 环境湿度24℃
- 用途带动阀门动作
- 外形尺寸300mm
- 重量1.5kg
- 产地中国
- 厂家siemens/西门子
产品简介:
产品详情:济南工达捷能科技发展有限公司是siemens/西门子buildingautomation的代理商,提供技术支持以保证售后的后续支持。济南工达-@王楠代理西门子建筑物多年来,您可以明了更多关于它。
SAX61.03西门子电动执行机构价SIEMENS
西门子电动执行机构SAX61.03价SIEMENS
电动阀门执行器
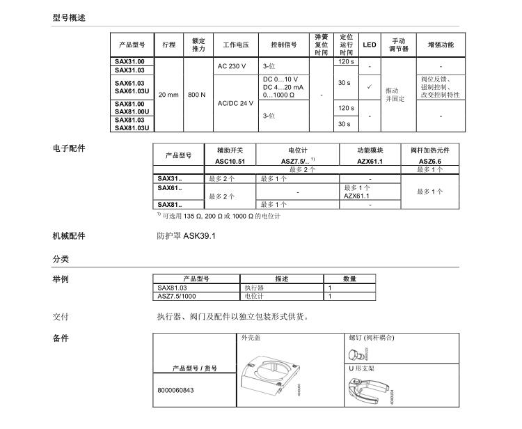
SAX..路程20mm
SAX31..工作电压AC 230v,三位数字控制信号
SAX61..工作电压AC/DC 24V,操纵信号dc0...10v,
4...20mA
SAX81..工作电压AC/DC 24V,三位数字控制信号
SAX61..阀位置反馈,优先级控制,可选的流量特点
可直接安装在阀门上;不必调整
隐含手动调节器,位置指示器和led状况显示
可选的辅助开关,电位计,机能模块,阀杆加热元件等。



